拾忆智能(临清)磁电科技有限公司
联系人:郝经理
手机:19041691178
地址:山东省聊城市临清市温泉路桑树园产业园

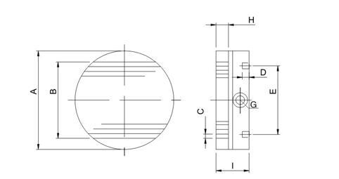
圆形永磁吸盘可作为各种平面磨床,万能工具磨床和车床等机床的辅助工具,用以吸持铁磁性材料进行加工.不需要电源,不发热,变形小,精度较高,使用范围较广.按其结构可分为直条密极,普通极和辐射状极等圆形永磁吸盘。适用于磨床、车床、钳工划线等,对导磁材料的吸持加工,吸力可达100N/cm2。




1、可安装在旋转研磨机使用。
2、适合较小薄的工件精密研磨。
3、残留磁性低。
4、可提升薄工件研磨。
5、适度调整磁力强弱。
销售热线:19041691178(微信同号)